Menu
Search
Personal menu
Search
Close
Search
My account
My account
Close
Register
Log in
Compare
Wishlist
0
Shopping cart
Close
0
$0.00
You have no items in your shopping cart.
All Categories
Menu
Close
Products
Spare Parts
Kits
Parts
Safety
Respirators
Other Safety
SandBlast
PPE & Safety
Blast Hose
Blast Machines
Misc Parts & Accessories
Filters
Exhaust
HVAC
Intake
Coating
Powder Coating
Liquid Coating
Dispensing
Automatic Dispense Guns
Drum Unloaders
Flow Meters
Heated Accessories
Manual Dispense Guns
Mixers
Plural Component
Pumps
Pumps
Other Pumps
Bellows
Diaphragm
Drum Unloaders
Electric
Finishing Packages
Gear
Lube
Piston
Powder
Ram
Sanitary
Sealant and Adhesives
Transfer
Tools
Other Tools
Assembly Tools
Industrial Tools
Material Handling
Balancers
Trollies
Cranes and Jibs
Hoist
Hydraullic Units
Lift Tables
Racking
Vacuum Lifts
Winches
Accessories
Breathing Air
Other Accessories
Abrasives
Agitators
Bits and Sockets
Fluid Filters
Hose, Valves, Fittings
Instrumentation and Testing
Mixers and Nozzles
Spray Gun Maint
Vacuums
Valves and Cylinders
Compressed Air
Gauges
Blow Guns
Coil Hose
Compressed Air Filters
Compressed Air Fittings
Compressed Air Lubricators
Compressed Air Regulators
Compressors
Dryers
FRL Assemblies
Hose and Tubing
Piping System
Push to Connect Fittings
Reels
Valves and Cylinders
Booth Maintenance
Booth Maint - Other
Booth Coating
Filter Frame Grids and Snapper Bars
Floor Paper
Lights and Covers
Manometers
Accessories
Booth Maintenance
Coating
Compressed Air
Dispensing
Filters
Material Handling
Pumps
Spare Parts
Safety
Tools
Manufacturers
3M INDUSTRIAL BUSINESS S25673
ABBOTTSTOWN INDUSTRIES S10067
Abel Pumps, L. P. S38699
ADELE KNITS S28620
Advance Lifts,Inc. S10248
AFP Industries Inc S100094
AIMCO S44719
Aircon Filter Mfg S35876
AIRFLOW PRODUCTS CO IN S12724
AIR-MITE DEVICES INC. S10464
All Categories
Back
Products
Back
Spare Parts
Back
Kits
Parts
Safety
Back
Respirators
Other Safety
SandBlast
Back
PPE & Safety
Blast Hose
Blast Machines
Misc Parts & Accessories
Filters
Back
Exhaust
Back
Cartridge Filter
Fiberglass Cut Pad
Fiberglass Roll Media
Final Filter
HEPA Filter
Paper Baffle Filter
Paper Cut Pad
Paper Poly Cut Pad
Paper Poly Pocket Bag Filter
Paper Poly Roll Media
Paper Roll Media
Pocket Filters
Polyester Cut Pad
Polyester Link Panel
Polyester Panel Filter
Polyester Pocket Bag Filter
Polyester Roll Media
Polyester Roll Media Kit
Synthetic Pocket Filter
HVAC
Back
Fiberglass Cut Pad
Fiberglass Panel Filter
Polyester Cut Pad
Polyester Roll Media
Intake
Back
Diffusion Media Cut Pad
Diffusion Media Panel
Diffusion Media Roll
Metal Intake Filter
Oven Filter
Pleated Filter
Polyester Cut Pad
Polyester Link Panel
Polyester Panel Filter
Polyester Roll Media
Coating
Back
Powder Coating
Back
Auto Spray Guns
Fluidizing Units
Manual Spray Guns
Powder Pump
Liquid Coating
Back
Agitators
Air Make Up Unit
Booth
Fluid Heaters
Fluid Regulators
Oven
Pressure Pots
Shakers and Rollers
Spray Guns - Automatic
Spray Guns - Manual
Surface Prep
Dispensing
Back
Automatic Dispense Guns
Drum Unloaders
Flow Meters
Heated Accessories
Manual Dispense Guns
Mixers
Plural Component
Pumps
Pumps
Back
Other Pumps
Bellows
Diaphragm
Drum Unloaders
Electric
Finishing Packages
Gear
Lube
Piston
Powder
Ram
Sanitary
Sealant and Adhesives
Transfer
Tools
Back
Other Tools
Assembly Tools
Back
Blind Riveters
Corded Tools
Cordless Tools
Hydraulic Tightening Pressing
Instrumentation and Calibration
Nutrunner
Pneumatic Tools
Pulse Tools
Rivnut Setters
Torque Control
Torque Management
Industrial Tools
Back
Air Motors
Breakers and Busters
Budget Friendly
Cutting Tools
Drills
Grinders
Impacts
Ratchets
Riveters
Sanders, Polishers, Buffers
Scalers and Hammers
Screwdrivers
Steel
Vehicle Services
Material Handling
Back
Balancers
Trollies
Cranes and Jibs
Hoist
Hydraullic Units
Lift Tables
Racking
Vacuum Lifts
Winches
Accessories
Back
Breathing Air
Other Accessories
Abrasives
Agitators
Bits and Sockets
Fluid Filters
Hose, Valves, Fittings
Instrumentation and Testing
Mixers and Nozzles
Spray Gun Maint
Vacuums
Valves and Cylinders
Compressed Air
Back
Gauges
Blow Guns
Coil Hose
Compressed Air Filters
Compressed Air Fittings
Compressed Air Lubricators
Compressed Air Regulators
Compressors
Dryers
FRL Assemblies
Hose and Tubing
Piping System
Push to Connect Fittings
Reels
Valves and Cylinders
Booth Maintenance
Back
Booth Maint - Other
Booth Coating
Filter Frame Grids and Snapper Bars
Floor Paper
Lights and Covers
Manometers
Accessories
Booth Maintenance
Coating
Compressed Air
Dispensing
Filters
Material Handling
Pumps
Spare Parts
Safety
Tools
Manufacturers
Back
3M INDUSTRIAL BUSINESS S25673
ABBOTTSTOWN INDUSTRIES S10067
Abel Pumps, L. P. S38699
ADELE KNITS S28620
Advance Lifts,Inc. S10248
AFP Industries Inc S100094
AIMCO S44719
Aircon Filter Mfg S35876
AIRFLOW PRODUCTS CO IN S12724
AIR-MITE DEVICES INC. S10464
View All
Home
/
Spare Parts
/
Parts
/
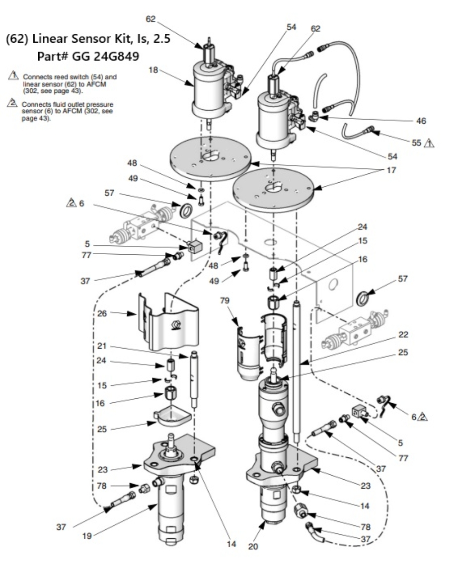
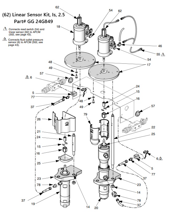
Kit, Linear Sensor, Is, 2.5
Kit, Linear Sensor, Is, 2.5
Manufacturer:
GRACO INC. S10595
Add to compare list
GG 24G849
Kit, Linear Sensor, Is, 2.5
SKU:
GG 24G849
Share:
Share on Twitter
Share on Facebook
Share on Pinterest
Email a friend
Availability:
Price:
$1,550.00
Qty:
i
h
h
Add to cart
Add to wishlist
Contact Us
Your name
*
Your email
*
Enquiry
*
Submit